
LabVIEW based executables
Excel I/O for instrumentation list and calibration management
GUI customization to reflect test setup
Safety
Fail safe hardware and software logic during loss of power or control
GUI overrides and lock out switches
Fat finger limits
1hz data saving 24/7/365
Software controllable low speed (up to 250 Hz) and high speed (up to 1 MHz) data saving

Microsoft Excel based sequences are easy to author and require no special software knowledge
Binary on/off open/close control of valves or other hardware
Numeric floating-point control of power supplies, regulators, VFDs, SCRs, or other analog electromechanical equipment
Max/Min abort and messaging logic with software filtering options
Pass/Fail gates and decision making based on real time data
Interpolation of programmable control profiles for pressure, temperature, etc.
Sequence with time looping I/O feedback

Easy Automation - Control Program loads customizable Test Sequences in Excel format.
Standalone software
Reads in raw data files
Post process test data
Generate test reports with tabular pass/fail assessment and visual data presentation
Autocomplete any customer ATP data sheet
Filer raw data per customer specifications
Perfrom calculations based on raw data

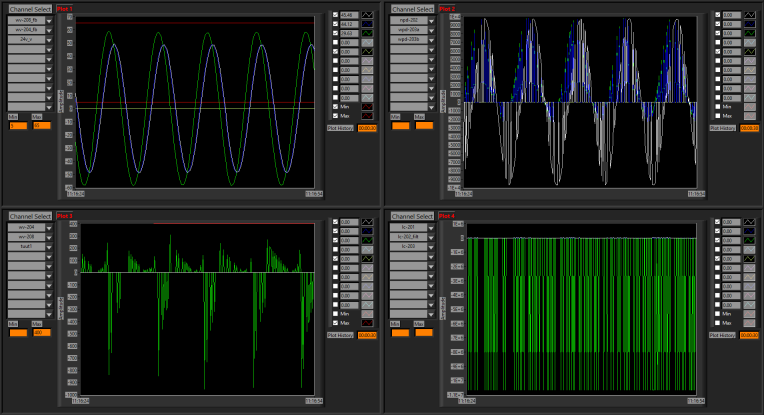
Real time plotting application pulling data directly from control
Customizable number of plots per tab
Save and Reload Plotting configuration files to quickly access standard plots for a given test
Min/Max setpoints and plot history user inputs
View and save historical data for any channel on the fly
